Schaltplan Trabant P601 Schaltplan Anhangersteckdose Trabant
Trabant schaltplan trabitechnik kubel. Schaltplan trabant kubel. Trabant schaltplan
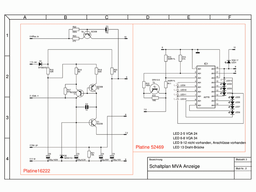
schaltplan trabant p601
Download PDF
If you are {looking for|searching about} trabitechnik.com - Alles über den Trabant you've {came|visit} to the right {place|web|page}. We have 15 {Pics|Pictures|Images} about trabitechnik.com - Alles über den Trabant like trabitechnik.com - Alles über den Trabant, UNIVERSITAS PLAJU: [Get 34+] Elektrischer Schaltplan Trabant 601 and also Schaltplan Trabant Kubel - Wiring Diagram. {Read more|Here you go|Here it is}:
Schaltplan anhangersteckdose trabant


Schaltplan trabant zündung. Kubel trabant schaltplan. Karre geilekarre p601 trabant voten. Trabant p601 von demanis
Trabant P601 Kombi mit TÜV 7/19 + H-Zulassung : Biete
Trabant "P601" | DDR Museum Berlin
UNIVERSITAS PLAJU: [Get 34+] Elektrischer Schaltplan Trabant 601
Original Schaltplan Trabant 600/601 in 06268 Querfurt für 10,00 € zum
Schaltplan Anhangersteckdose Trabant - Wiring Diagram

Sem comentários:
Enviar um comentário